压力变送器/差压变送器
首页 >> 定边压力事业部 >> 定边压力变送器/差压变送器

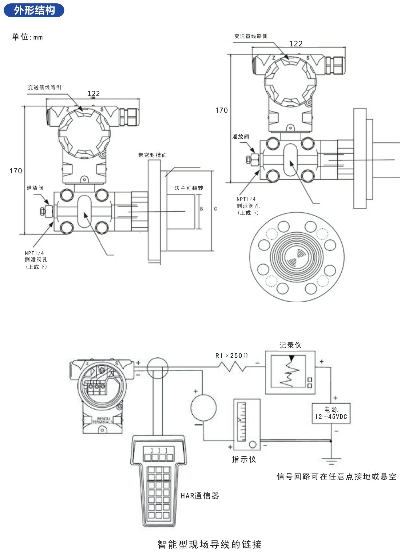
定边法兰式压力/液位变送器

定边法兰式压力/液位变送器
定边法兰式压力/液位变送器
定边法兰式压力/液位变送器
定边法兰式压力/液位变送器
定边法兰式压力/液位变送器
定边法兰式压力/液位变送器
定边法兰式压力/液位变送器
产品详情
推荐产品
TOP

城市分站:榆阳法兰式压力/液位变送器神木法兰式压力/液位变送器府谷法兰式压力/液位变送器横山法兰式压力/液位变送器靖边法兰式压力/液位变送器定边法兰式压力/液位变送器绥德法兰式压力/液位变送器米脂法兰式压力/液位变送器佳县法兰式压力/液位变送器吴堡法兰式压力/液位变送器