压力变送器/差压变送器
首页 >> 定边压力事业部 >> 定边压力变送器/差压变送器

定边无线压力变送器

定边无线压力变送器
定边无线压力变送器
定边无线压力变送器
产品详情

OPEC501无线压力变送器是一款低功耗、具有无线通讯功的智能仪表,以先进的工业级MCU为核心,高品质传感器为采集前端,结合工业级无线Zigbee数据模块,高容量锂电池,实现多个产品组成Zigbee网络系统,可检测大范围内的众多监测点实时数据,如煤气柜水封检测、储油罐检测、工业现场自动化控制检测等。产品应用领域主要有石油、煤炭、自来水自动化控制等。

特点

◆OPEC501适用于A11协议

◆管道压力无线测量,典型应用于油田井口压力监测

◆防爆设计:隔爆铝壳,电路板系统本质安全

◆防护等IP67,全密封防水设计

Zigbee通讯,可用手朱器对其配置、测式

LCD显示:-40~70℃宽温度工作范围,可显示压力数据、电池电压、无线信道等多种信息

38Ah高能量锂亚电池,超长工作寿命

◆高增益天线,线传输距离达1000m

技术指标及参数

被测介质

液体、气体

压力量程

0~60MPa 可定制

精度

0.5

过载压力

150% F.S

上报周期

1~12小时 可设定

小数位数

0~3 可设定

信号传输

ZigBee无线

发射功率

40mW

通讯距离

200m

工作电源

3.6V 锂电池

防爆等级

Exib IIB T4 Gb

外壳防护

IP67

过程接口

客户定制

工作环境温度

-40~70

工作环境湿度

97% RH

产品重量

2000g

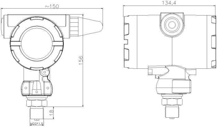
外形及安装

◎尺寸图

◎安装

  1、确定工艺要求的测量范围与要安装的变送器量程一致。

2、工艺安装的接头螺纹规格必须与变送器配套。

3、管道上安装压力变送器,先将管道上的准备安装压力变送器的阀门(针型阀或闸阀)关闭,然后有2种安装方式:(1)将变送器直接旋入阀门的上端口;(2)将活接或转接头旋入阀门的上端口,再将变送器旋入活接或转接头的上端口,此种安装方式以增加活接或转接头来调节方向。安装完毕,开启针型阀阀门确认无渗漏现象,即安装合格。


电话咨询:18629029878
推荐产品
TOP

城市分站:榆阳无线压力变送器神木无线压力变送器府谷无线压力变送器横山无线压力变送器靖边无线压力变送器定边无线压力变送器绥德无线压力变送器米脂无线压力变送器佳县无线压力变送器吴堡无线压力变送器